變頻器工作原理以及變頻器接線圖
變頻器介紹
變頻器是應用變頻技術與微電子技術,通過改變電機工作電源頻率方式來控制交流電動機的電力控制設備。變頻器主要由整流(交流變直流)、濾波、逆變(直流變交流)、制動單元、驅動單元、檢測單元微處理單元等組成。變頻器靠內部IGBT的開斷來調整輸出電源的電壓和頻率,根據電機的實際需要來提供其所需要的電源電壓,進而達到節能、調速的目的。
變頻器工作原理
變頻器可分為電壓型和電流行兩種變頻器。電壓型是將電壓源的直流變換為交流的變頻器,直流回路的濾波是電容。電流型是將電流源的直流變換為交流的變頻器,其直流回路濾波是電感。是整流器,整流器,逆變器。而變頻器的主電路由整流器、平波回路和逆變器三部分構成,將工頻電源變換為直流功率的“整流器”,吸收在變流器和逆變器產生的電壓脈動的“平波回路。
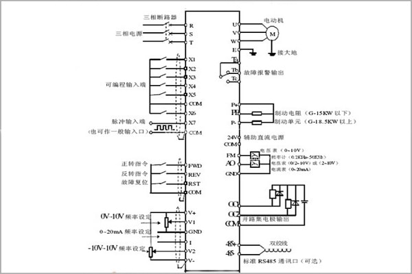
變頻器接線圖
上圖是一副變頻器接線圖。在變頻器的安裝中,有一些問題是需要注意的。例如變頻器本身有較強的電磁干擾,會干擾一些設備的工作,因此我們可以在變頻器的輸出電纜上加上電纜套。又或變頻器或控制柜內的控制線距離動力電纜至少100mm等等。
深圳市海藍機電設備有限公司(www.um800.com)銷售和批發:三菱變頻器、三菱plc、三菱觸摸屏、三菱伺服電機等工控自動化產品.電話:400-8819130 0755-88356296(10線) 大客戶:13823726967 吳經理
本文原創自:深圳海藍機電設備有限公司,如果你對變頻器工作原理感興趣請閱讀我們的文章:http://www.um800.com/article/148.html




評論信息